Циркуляционный насос Wilo Star-RS 25/8 (151 Вт) — подробный обзор, плюсы и минусы на основе 35 отзывов
Средняя цена в магазинах 19 713 ₽
Краткие характеристики:
- тип: поверхностный циркуляционный
- макс. производительность: 5.8 м³/ч
- макс. напор: 7.8 м
- номинальная мощность: 60
- установка: горизонтальная и вертикальная
- вес: 3.4 кг
35 отзывов пользователей о Wilo Star-RS 25/8 (151 Вт)
Пользовались
Wilo Star-RS 25/8 (151 Вт)?
Поделитесь своим опытом и помогите другим сделать правильный выбор
- + Насосы этой фирмы пользуюсь больше 10 лет. Встраиваю их в систему центрального отопления коттеджа для обеспечения циркуляции теплоносителя. Без него,увы, всё стоит колом. Важная задача - не перестараться - не создавать проблемы соседям, у которых тоже стоят насосы. Как ни странно, но нам это удаётся. Сколько лет может простоять такой насос - не могу сказать т.к. я сменил его через 7 лет эксплуатации, он был в рабочем состоянии, я заменил его на насос помощнее 25/8, который молотит уже второй год. Важный момент - во время аварии, он всю ночь (примерно 7 часов) работал "на сухую", но, к моему удивлению, уцелел. Пришлось заказать такой же впрок на всякий случай, вдруг на следующий раз, не прокатит. Так что продукт стоящий, можно смело приобретать.
- - Недостатков не заметил
- + Качество сборки
- + Очень мощный и надежный. Брал в новый дом площадью 250 м2. У меня он стоит отдельно на радиаторы. На теплый пол и горячую воду - стоят насосы Wilo чуть меньшей мощности. Уже очень давно пользуюсь продукцией данного бренда. Качество на высоте.
- + Отличный циркуляционный насос
- - Нет недостатков этого насоса
- + надежный тихий
- - нет
Как менялась цена на Wilo Star-RS 25/8 (151 Вт)
Характеристики Wilo Star-RS 25/8 (151 Вт)
| Общие характеристики | |
| Назначение канализационной станции : | для отопления |
| Максимальный напор : | 5.8 м |
| Пропускная способность : | 5.8 м³/час |
| Напряжение : | 220/230 В |
| Номинальная мощность : | 60 Вт |
| Функции : | защита от перегрева, плавный пуск двигателя, повышение давления |
| В комплекте : | кабель, накидные гайки, прокладки |
| Глубина всасывания : | 8 м |
| Тип повышения давления : | основная |
| Вода | |
| Качество воды : | чистая |
| Минимальная температура воды : | -10 °C |
| Максимальная температура воды : | 110 °C |
| Конструкция | |
| Материал корпуса : | чугун |
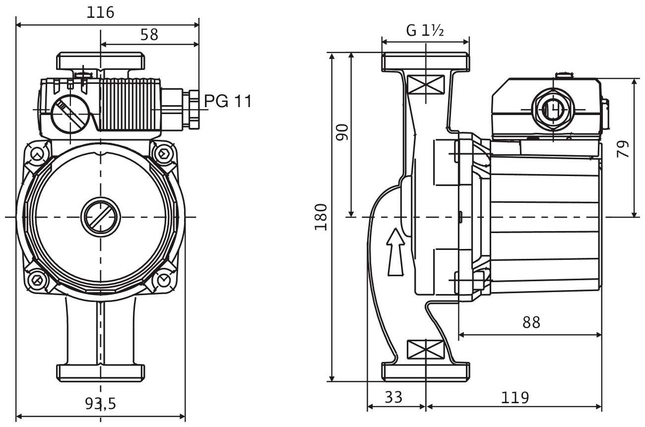
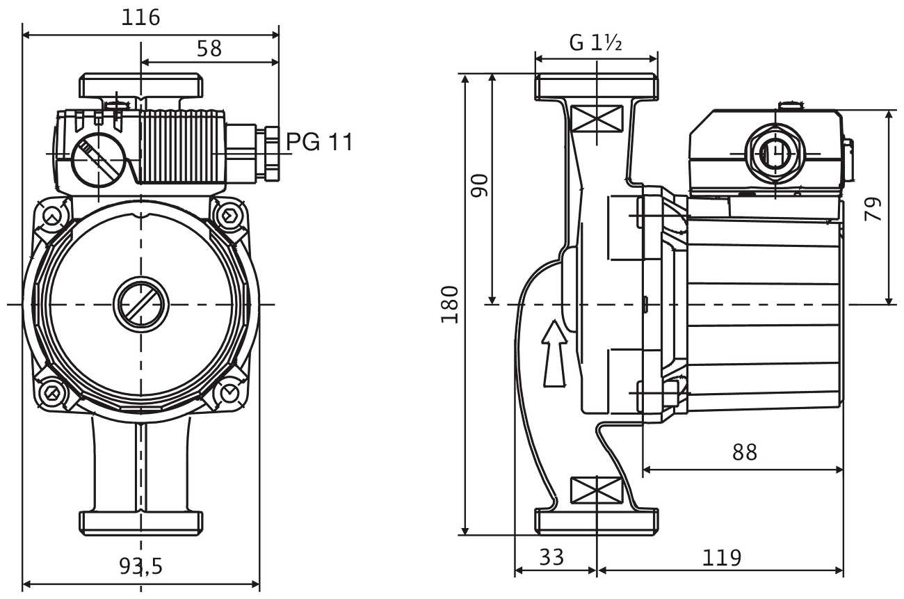
| Монтажная длина циркуляционного насоса (мм) : | 180 |
| Механизм насоса : | центробежный |
| Класс энергоэффективности : | C |
| Диаметр резьбы выходящего отверстия (G) : | есть |
| Установка насоса : | горизонтальная/вертикальная |
| Подробная комплектация : | циркуляционный насос в сборе, 2 плоских уплотнения, инструкция по монтажу и эксплуатации |
| Размеры (ШхВхД) : | 10x18x154 см |
| Вес : | 3.4 кг |
| Длина сетевого шнура : | 1 м |
| Дополнительная информация : | рабочее колесо PP-GF40, вал: нержавеющая сталь материал подшипника: металлографит, класс защиты IP 44, тип ротора: "мокрый", максимальная температура окружающей среды: 40 °C, номинальный ток: 076 А, частота вращения макс. 2760 1/min, создаваемые помехи: EN 61000-6-3, переключатель частоты вращения: три ступени |
Информация о характеристиках носит справочный характер.
Перед покупкой уточняйте характеристики и комплектацию товара у продавца









