Смеситель для биде Grohe Eurosmart (23322003) — 11 отзывов, плюсы и минусы
Средняя цена в магазинах 13 485 ₽
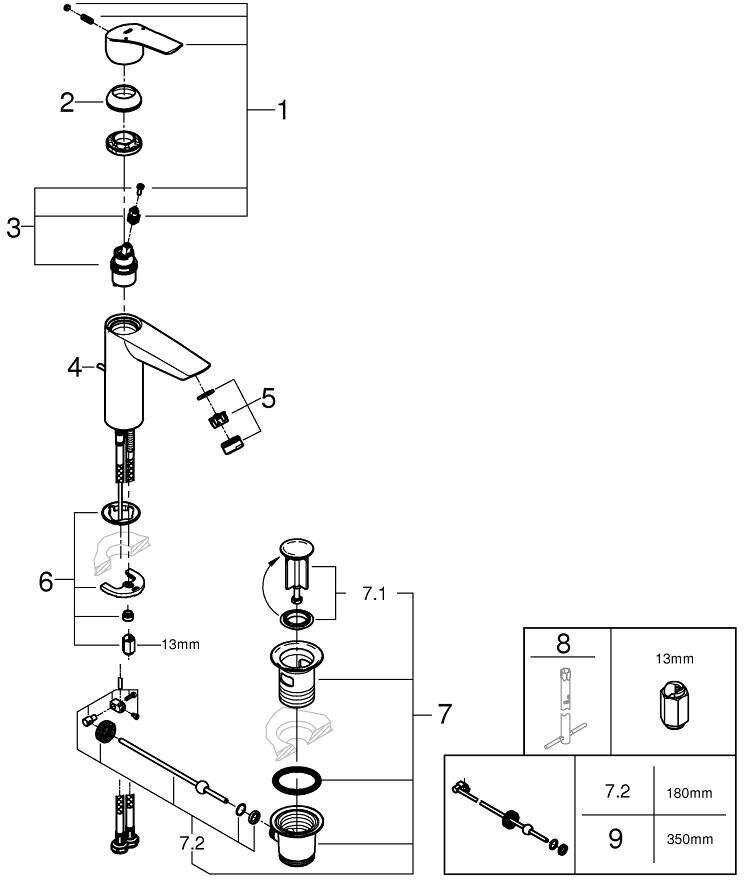
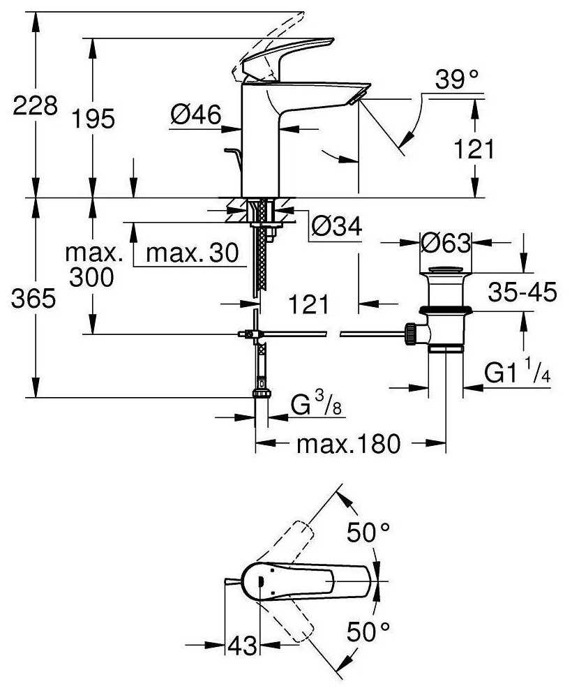
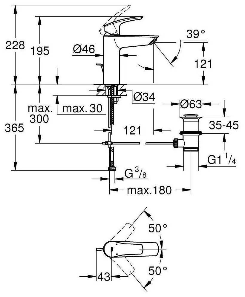
Краткие характеристики:
- покрытие: хром
- цвет товара: хром
- тип: смеситель
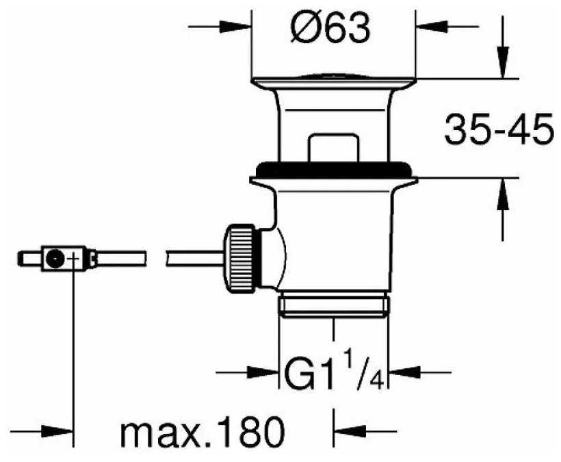
- назначение: для биде
- для раковины (умывальника)
- управление: рычажное
- излив: поворотный
- фиксированный
- монтаж: горизонтальный
- материал корпуса: латунь
11 отзывов пользователей о Grohe Eurosmart (23322003)
Пользовались
Grohe Eurosmart (23322003)?
Поделитесь своим опытом и помогите другим сделать правильный выбор
- + Смеситель просто превосходный, за почти 3 года работы все идеально! Чистится легко, отлично справляется со своей функцией! Фирма говорит сама за себя. Очень довольна покупкой
- - Их нет
- + Красивый и удобный
- + кран оправдал ожидания,оригинал.Упаковка хорошая,качество отличное до этого был такой кран,прослужил 16 лет Рекомендую
- - нет
- + Отличный смеситель от зарекомендовавшего себя производителя за многие годы использования. Дизайн и качество изготовления на самом высоком уровне. Цена конечно немаленькая, но эти смесители могут прослужить более 10-12 лет. Единственный минус это дорогой, запасной картридж. Плавный ход и отличное покрытие. Смеситель который красиво выглядит и приятно пользоваться.
- + Красивый, стильный, удобный кран. Установили без особых проблем.
- - Штатные гайки на шлангах очень не надёжные, приходится покупать переходники.
- + Традиционно качественное исполнение, всё по классике. Полная комплектация, все на месте.
- - Тонкий металл накидных гаек гибких шлангов, не вызывает доверия, нужна аккуратность при монтаже. Упрощена упаковка - смеситель внутри коробки в бумажном пакете.
- + Отличный смеситель по приятной цене!
Как менялась цена на Grohe Eurosmart (23322003)
Характеристики Grohe Eurosmart (23322003)
Информация о характеристиках носит справочный характер.
Перед покупкой уточняйте характеристики и комплектацию товара у продавца
















