Насос ДЖИЛЕКС Циркуль 25/80 — подробный обзор, плюсы и минусы на основе 65 отзывов
Средняя цена в магазинах 10 750 ₽
Что пользователи пишут в отзывах: ключевые плюсы и минусы ДЖИЛЕКС Циркуль 25/80
*Проценты и ключевые выводы основаны на повторяющихся темах и сценариях, которые чаще всего упоминаются пользователями в отзывах.
Обзор реального опыта использования ДЖИЛЕКС Циркуль 25/80 - анализ 65 отзывов
Реальная производительность и эксплуатационные характеристики в различных системах:
Фактическая производительность и соответствие заявленным параметрам. Анализ отзывов указывает на неоднозначное соответствие заявленным техническим характеристикам. Часть пользователей подтверждает, что насос успешно справляется с задачами в системах отопления площадью 70 м² и даже 200 м², прокачивая теплоноситель без перебоев. Однако встречаются прямые указания на то, что заявленная производительность в 12 кубометров в час и мощность 245 Вт не соответствуют реальности, что стало негативным сюрпризом для покупателей, выбиравших модель исходя из этих данных. Насос демонстрирует достаточную мощность для замены более слабых моделей, таких как Grundfos UPS 25-60 180, которых не хватало для одновременного прогрева всех батарей в двухэтажном доме 150 м². Производительность регулируется посредством трехступенчатого переключателя, что предоставляет пользователям гибкость в настройке работы под конкретную систему. Эффективность работы с различными типами жидкостей и в разных условиях. Модель эффективно работает как с чистым теплоносителем в системах отопления, так и с грязной водой, хотя последнее приводит к забиванию и снижению производительности примерно через полгода активной эксплуатации. Насос используется в качестве основного в контурах отопления, на обратных трубопроводах и для прокачки теплых полов, показывая стабильность на протяжении многих месяцев. Важным эксплуатационным требованием, отмеченным пользователями, является необходимость спуска воздуха из рабочей камеры после установки; пренебрежение этой процедурой, согласно инструкции, приводит к повышенному шуму и перегреву. При корректном монтаже и эксплуатации в штатном режиме, при температурах не превышающих 80 градусов, агрегат отрабатывает заявленный срок службы и более. Сравнение с аналогами и конкурентами в своем классе. Пользователи активно сравнивают модель с продукцией других брендов, в частности, с Grundfos и другими насосами «Джилекс». В сравнении с предыдущими поколениями и более дешевыми сериями того же производителя данный насос оценивается как более тихий и эффективный. Однако при сравнении с некоторыми аналогами отмечается его более сильный нагрев корпуса во время работы. Ключевым конкурентным преимуществом, неоднократно упомянутым в отзывах, является соотношение цены и качества, а также мощность, сопоставимая с более дорогими импортными аналогами, но при этом стоимость насоса в несколько раз ниже, чем у ведущих европейских брендов. Шумность и вибрации при работе в жилых и нежилых помещениях. Уровень шума является одним из самых дискуссионных параметров данной модели. Значительное количество пользователей характеризуют работу насоса как очень шумную, с высокочастотным гулом, который отчетливо слышен ночью даже из отдельной котельной в одноэтажном доме и является неприемлемым для помещений, расположенных под спальнями. В то же время другая часть отзывов описывает насос как довольно тихий, почти бесшумный или издающий лишь шум протекающей воды. Такой разброс оценок может быть связан с разной чувствительностью пользователей, спецификой монтажа (например, качеством обвязки), наличием воздуха в системе или различными режимами работы (скоростями). Для установки в жилых зонах его шумность является критическим недостатком. Нагрев корпуса во время продолжительной работы и его последствия. Практически все пользователи отмечают сильный нагрев корпуса насоса во время эксплуатации. Этот факт признается как данность, однако некоторые reviewers упоминают, что у имеющихся у них аналогов нагрев выражен меньше. Несмотря на повышенную температуру корпуса, перегрев не приводит к моментальным поломкам; насос продолжает стабильно работать в таком режиме, а его ресурс, по опыту пользователей, может превышать пять лет при условии работы в чистой среде и без экстремальных нагрузок. Работа в сухом режиме в течение даже одних суток, как показал опыт одного из пользователей, гарантированно выводит насос из строя, что указывает на критическую важность наличия теплоносителя для охлаждения двигателя. Надежность, долговечность и типичные сценарии выхода из строя. Надежность насоса оценивается пользователями как высокая при соблюдении условий эксплуатации. Имеются сообщения о работе в течение более пяти лет, а также о выходе на режим, немного превышающий заявленный годовой срок службы. Типичной причиной поломки, помимо работы «на сухую», является забивание крыльчатки и внутренних каналов при перекачивании грязной воды, что происходит примерно через шесть месяцев и требует обслуживания. Качество сборки и материалов оценивается как хорошее, стандартное для данного сегмента, но не соответствующее маркировке «премиум». На практике насос воспринимается как надежный рабочий инструмент с предсказуемым ресурсом, способный отработать свои деньги при использовании по назначению.
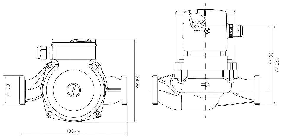
Качество изготовления, монтаж и особенности конструкции:
Оценка качества сборки, используемых материалов и защитного покрытия. Пользователи единодушно отмечают добротную сборку насоса: он обладает прочным металлическим корпусом, качественной равномерной окраской, что обеспечивает защиту от коррозии. Конструкция оценивается как простая, надежная и отлично подходящая для самостоятельного монтажа и эксплуатации. При этом многие reviewers подчеркивают, что, несмотря на общее впечатление качества, используемые материалы являются стандартными для данного ценового сегмента, и наличие маркировки «премиум» не находит своего подтверждения в виде каких-либо исключительных конструктивных features или материалов. Насос воспринимается как качественный, но рядовой продукт. Процесс установки, подключения и возникшие нюансы при монтаже. Монтаж насоса описывается как простой и straightforward, не вызывающий проблем у пользователей, разбирающихся в системах водоснабжения. Стандартные соединительные элементы (накидные гайки-американки) позволяют легко интегрировать его в существующую систему. Однако был выявлен существенный нюанс: некоторым пользователям показалось, что насос чуть короче заявленной монтажной длины, что потребовало очень сильной затяжки гаек для обеспечения герметичности соединения. В комплекте идут прокладки, которые могут показаться тонковатыми, но в итоге, после усиленной затяжки, соединение становится герметичным. Отмечается отсутствие сетевого кабеля в комплекте поставки, что требует его отдельного приобретения и подключения. Анализ целевой аудитории и оптимальных условий для применения. Идеальным пользователем данного насоса является человек с техническими навыками, способный самостоятельно выполнить его установку и обслуживание. Модель оптимально подходит для систем отопления частных домов площадью от 70 до 200 м², для прокачки теплоносителя в теплых полах и для работы с чистой или условно чистой водой. Его шумность делает рекомендованным для установки в отдельные нежилые помещения (котельные), а не в жилые зоны. Насос не оборудован функцией автозапуска или работой по потоку и функционирует постоянно при включении, что следует учитывать при проектировании системы. Это надежное решение для пользователей, ищущее оптимальное соотношение мощности, надежности и цены, а не максимально тихое или автоматизированное устройство.
👍Почему стоит купить ДЖИЛЕКС Циркуль 25/80 - Преимущества по отзывам пользователей
- Эффективная производительность
- Прокачка теплоносителя по дому площадью 200 м² на минимальной скорости с запасом мощности.
- Обеспечивает нагрев теплого пола на 50-70 м² и увеличивает отдачу тепловентилятора в помещении 5°C.
- Работает как основной насос в системе отопления и на обратном трубопроводе более 6 месяцев без проблем.
- Есть три варианта скорости для подбора под систему.
- Простота установки и эксплуатации
- Подключается без особых проблем к существующим системам водоснабжения и отопления.
- Простая конструкция с входом и выходом для труб, осваивается самостоятельно.
- Легко заменяет старые модели, включая Джилекс.
- Хорошее соотношение цена/качество
- Дешевле аналогов вроде Grundfos в четыре раза при схожей работе.
- Урван за 3500 руб., качество сборки на уровне иностранных насосов.
- Гарантия 3 года, отрабатывает свои деньги.
- Тихая работа для части пользователей
- Еле слышен, только шум воды, работает бесшумно на первой скорости.
- В разы тише умирающего Джилекс, не издает лишних звуков.
- Не шумит вообще при правильной установке по инструкции.
- Надежность в эксплуатации
- Отработал более 5 лет в сухом режиме, качает из колодца исправно.
- Работает постоянно зимой без нареканий несколько месяцев.
- Прочный металлический корпус, качественная сборка.
👎О чем стоит задуматься перед покупкой - Недостатки по отзывам пользователей
- Высокий уровень шума
- Издает громкий гул и высокочастотный вой, слышен ночью из котельной в одноэтажном доме.
- Шумноват даже на первой позиции, ужасно шумный для отдельных помещений.
- Громковатый звук работы насоса, заметен в тихой обстановке.
- Сильный нагрев
- Греется сильно при работе, даже если аналог холоднее.
- Становится очень горячим, требуется спуск воздуха по инструкции.
- Нагрев заметен сразу после подключения.
- Отсутствие кабеля в комплекте
- Нет электрического шнура, приходится использовать старые или докупать.
- Кабеля в комплекте нет, что усложняет установку.
- Короткий срок службы
- Отработал чуть больше года при температуре до 80°C, как и предыдущий Джилекс.
- Забивается через полгода от грязной воды.
- Выходит из строя раньше ожидаемого.
- Несоответствие заявленным характеристикам
- Мощность 245 Вт и производительность 12 м³/ч не соответствуют реальности.
- Чуть короче заявленной длины, гайки затягиваются сильно из-за тонких прокладок.
- Не премиум качество, стандартные материалы за завышенную цену.
- Отсутствие автомата
- Нет режима автопуска, работает постоянно независимо от потока воды.
*Плюсы и минусы, которые пользователи называют чаще всего на основе практического опыта использования.
Часто задаваемые вопросы F.A.Q.
-
Насколько шумный этот насос во время работы?
Уровень шума вызывает неоднозначные оценки среди пользователей. Часть владельцев отмечает, что насос работает достаточно громко, издавая гул, который может быть слышен в соседних помещениях, особенно в ночное время. Другие пользователи, напротив, характеризуют его работу как "довольно тихую" или "почти бесшумную", отмечая лишь шум от движения воды в системе. На уровень шума может влиять правильность установки, например, наличие воздуха в рабочей камере, который необходимо стравить согласно инструкции. -
Сильно ли нагревается корпус насоса при длительной работе?
Нагрев корпуса является одной из частых особенностей, отмеченных пользователями. Многие владельцы указывают, что насос "греется он конечно сильно" при непрерывной эксплуатации. При этом пользователи подчеркивают, что несмотря на заметный нагрев, оборудование продолжает стабильно выполнять свои функции. Некоторые сравнивают температурный режим с аналогами, которые могут работать "похолоднее", но не фиксируют случаев выхода из строя именно по причине перегрева. -
Какие реальные характеристики производительности и мощности демонстрирует насос?
Фактическая производительность насоса оценивается пользователями как достаточная для решения различных задач. Владельцы подтверждают эффективную работу в системах отопления двухэтажных домов площадью 150-200 м², при этом некоторые отмечают, что даже на минимальной производительности мощности хватает с запасом. Отдельные пользователи выражают сомнения в соответствии заявленных и фактических характеристик, однако большинство подтверждает, что насос "справляется со своими функциями" и обеспечивает хорошую циркуляцию теплоносителя. -
Насколько сложна установка насоса и есть ли особенности монтажа?
Установка насоса оценивается большинством пользователей как относительно простая, многие справляются с монтажом самостоятельно. Однако некоторые владельцы столкнулись с необходимостью сильно затягивать соединительные гайки для обеспечения герметичности, что может быть связано с толщиной прокладок, идущих в комплекте. Стандартные соединительные элементы позволяют легко интегрировать насос в существующую систему водоснабжения или отопления, но рекомендуется проверять герметичность соединений после установки. -
Какова реальная надежность и срок службы этого насоса?
Опыт эксплуатации демонстрирует различную долговечность оборудования. Некоторые пользователи сообщают о работе предыдущей аналогичной модели "более 5 лет", в то время как другие отмечают выход из строя насосов того же производителя после окончания заявленного срока службы. Отдельные владельцы фиксируют работу "чуть больше заявленного срока службы 1 год", что указывает на возможные колебания в качестве. Гарантия производителя составляет 3 года, что подтверждается в отзывах. -
Какие материалы используются в конструкции насоса и насколько они качественные?
Конструкция насоса характеризуется прочным металлическим корпусом, который отмечается пользователями как надежный и добротный. Качество сборки в большинстве отзывов оценивается положительно - "собран хорошо, окрашен равномерно". Владельцы также отмечают, что качество изготовления и материалов сопоставимо с иностранными аналогами, при этом насос имеет "отличную конструкцию, металлическую", что обеспечивает его долговечность при правильной эксплуатации. -
Для каких систем и объектов рекомендуется этот насос?
Насос эффективно применяется в различных системах водоснабжения и отопления частных домов. Пользователи успешно используют его для работы с теплыми полами площадью 50-70 м², в системах отопления двухэтажных зданий до 200 м², а также для циркуляции теплоносителя от электрических котлов. Оборудование хорошо зарекомендовало себя как в качестве основного насоса в системе отопления, так и для прокачки воды в системах водоснабжения из колодцев. -
Есть ли у насоса регулировка производительности?
Конструкция насоса предусматривает возможность регулировки производительности, что подтверждается пользователями. Владельцы отмечают наличие "трех вариантов производительности (переключатель)", что позволяет оптимально настроить работу оборудования под конкретную систему. Эта функция особенно ценится при использовании в домах разной площади, когда можно установить минимальную производительность для экономии энергии или увеличить при необходимости. -
Как насос работает с различными типами воды?
Способность насоса работать с разными типами воды оценивается пользователями неоднозначно. Часть владельцев успешно использует его для прокачки "чистой и грязной воды", отмечая хорошую производительность. Однако есть отзывы о том, что оборудование "забивается примерно через полгода от грязной воды", что указывает на необходимость фильтрации при работе с загрязненными жидкостями. Для систем отопления с чистым теплоносителем проблем обычно не возникает. -
Что входит в комплект поставки насоса?
Комплектация насоса включает необходимые элементы для монтажа, но имеет некоторые особенности. Пользователи подтверждают наличие прокладок в комплекте, которые обеспечивают герметичность соединений. Однако многие владельцы отмечают отсутствие электрического шнура питания, что требует дополнительной подготовки при установке. Некоторые пользователи при замене старых насосов использовали原有硬件, такие как черные гайки, что свидетельствует о стандартности соединений.
-
Какой режим работы предусмотрен у этого насоса?
Насос работает в постоянном режиме циркуляции, что подтверждается многочисленными отзывами пользователей. Владельцы отмечают отсутствие "режима авто, работает постоянно независимо от потока воды", что характерно для многих циркуляционных насосов. Такой режим работы обеспечивает стабильную циркуляцию в системах отопления, но может потреблять больше энергии compared с насосами с автоматическим регулированием. Некоторые пользователи выражают желание иметь функцию автозапуска. -
Насколько насос удобен в ежедневной эксплуатации?
Эксплуатационные качества насоса оцениваются пользователями как удовлетворительные. Владельцы характеризуют его как "простой в эксплуатации", не требующий специального обслуживания при правильной установке. Наличие переключателя производительности позволяет легко адаптировать работу под changing условия системы. Большинство пользователей отмечают стабильность работы без необходимости постоянного вмешательства, что делает насос удобным для длительной эксплуатации. -
Как насос ведет себя в системе с высокотемпературным теплоносителем?
Способность насоса работать с высокотемпературными средами подтверждается опытом пользователей. Владельцы сообщают о successful эксплуатации при "температуре использования не превышавшей 80 градусов", что соответствует typical требованиям для систем отопления. При этом отмечаемый нагрев корпуса не приводит к сбоям в работе, а сам насос сохраняет стабильность характеристик при длительной работе с нагретым теплоносителем. -
Каковы реальные преимущества этого насоса по сравнению с аналогами?
Пользователи выделяют несколько ключевых преимуществ данного насоса. Многие отмечают его значительную мощность, которая превосходит некоторые иностранные аналоги like Grundfos, при этом стоимость оборудования существенно ниже. Качество сборки и материалов оценивается как сопоставимое с зарубежными аналогами. Отдельные владельцы, сменившие насосы других производителей, констатируют "небо и земля в сравнении", особенно в плане уровня шума и надежности. -
Какие есть особенности первого запуска насоса?
Правильный первый запуск имеет critical значение для последующей работы оборудования. Пользователи emphasize необходимость "по инструкции спустить воздух из рабочей камеры", что позволяет избежать излишнего шума и перегрева. Некоторые владельцы, выполнившие эту процедуру, отмечают тихую работу и нормальный температурный режим. Проверка герметичности соединений после монтажа также является важным этапом, на который обращают внимание experienced пользователи.
65 отзывов пользователей о ДЖИЛЕКС Циркуль 25/80
Пользовались
ДЖИЛЕКС Циркуль 25/80?
Поделитесь своим опытом и помогите другим сделать правильный выбор
- + нормально работает
- - пока не обнаружил
- + Хорошо прокачивает чистую и грязную воду.
- - Забивается примерно через полгода от грязной воды.
- + Цена, качество
- + Вроде качественный
- - Нет режима авто,работает постоянно независимо от потока воды
- + Отличная конструкция, металлическая.
- - короткий срок службы и гарантии
- +
Цена, качество.
- -
Шумный, греется, нет кабеля в комплекте.
Все работает, но греется он конечно сильно (есть аналог, он похолоднее будет) но работает и не издает лишних звуков.
Звук же работы конечно громковатый, но тут надо понимать, что и насос не маленький (было бы странно если бы фура звучала так же как мопед...).
Собран хорошо, окрашен равномерно, но при замене старого насоса показалось, что этот чуть чуть короче заявленной длинны, так как гайки пришлось затягивать ну прям очень сильно, что бы вода не сочилась, может прокладки тонковатые (кстати идут в комплекте), но в итоге все стало и работает.
Итого: Рекомендую.
- + Отличный товар, поставили, работает бесшумно. Спасибо за насос, рекомендую
- - Нет
Как менялась цена на ДЖИЛЕКС Циркуль 25/80
Характеристики ДЖИЛЕКС Циркуль 25/80
| Общие характеристики | |
| В комплекте : | кабель, накидные гайки, прокладки, соединитель, штуцер |
| Тип повышения давления : | основная |
| Глубина погружения / всасывания : | 6 м |
| Напряжение : | 220/230 В |
| Тип : | поверхностный |
| Максимальный напор : | 8 м |
| Пропускная способность : | 3.72 м³/час |
| Номинальная мощность : | 155 Вт |
| Функции : | встроенный обратный клапан, защита от перегрева, защита от сухого хода, повышение давления, электронный выключатель |
| Тип установки : | поверхностный |
| Повышение давления : | есть |
| Вода | |
| Размер пропускаемых частиц : | 1 мм |
| Максимальная температура воды : | 110 °C |
| Минимальная температура воды : | 2 °C |
| Качество воды : | чистая |
| Конструкция | |
| Класс энергоэффективности : | A |
| Длина сетевого шнура : | 0.8 м |
| Подробная комплектация : | насос, инструкция по эксплуатации + гарантийный талон, накидные гайки со штуцерами и прокладками 2 шт., тара упаковочная. |
| Материал корпуса : | нержавеющая сталь, пластик, чугун |
| Механизм насоса : | центробежный |
| Диаметр резьбы выходящего отверстия (G) : | есть |
| Установка насоса : | горизонтальная/вертикальная |
| Размеры (ШхВхД) : | 16.5x20x18 см |
| Вес : | 3.1 кг |
| Дополнительная информация : | максимальная температура окружающей среды: 50 °C максимальный расход 89 л/мин. количество скоростей 3 потребляемый ток не более 04/06/07 а степень защиты ip x44 максимальное давление 10 бар тип ротора мокрый переключение скоростей вручную, потребляемая мощность изменена производителем на 150/230/260 |
Информация о характеристиках носит справочный характер.
Перед покупкой уточняйте характеристики и комплектацию товара у продавца


























