3 отзывов пользователей o ZOTA Тополь-16ВК
Пользовались 
          ZOTA Тополь-16ВК?
          
            Поделитесь своим опытом и помогите другим сделать правильный выбор
          
- + Модель удобна в эксплуатации .
- - Потёк на 2 ой сезон , причем в труднодоступном месте , где сварному не подобраться...
- + Первые две зимы почти всё. Быстро разжигать, легко чистить, если правильно открывать дверцу то не дымит. Удобно засыпать уголь. Мелкие недочёты это...
Лучшие цены сегодня на ZOTA Тополь-16ВК
График изменения цены ZOTA Тополь-16ВК
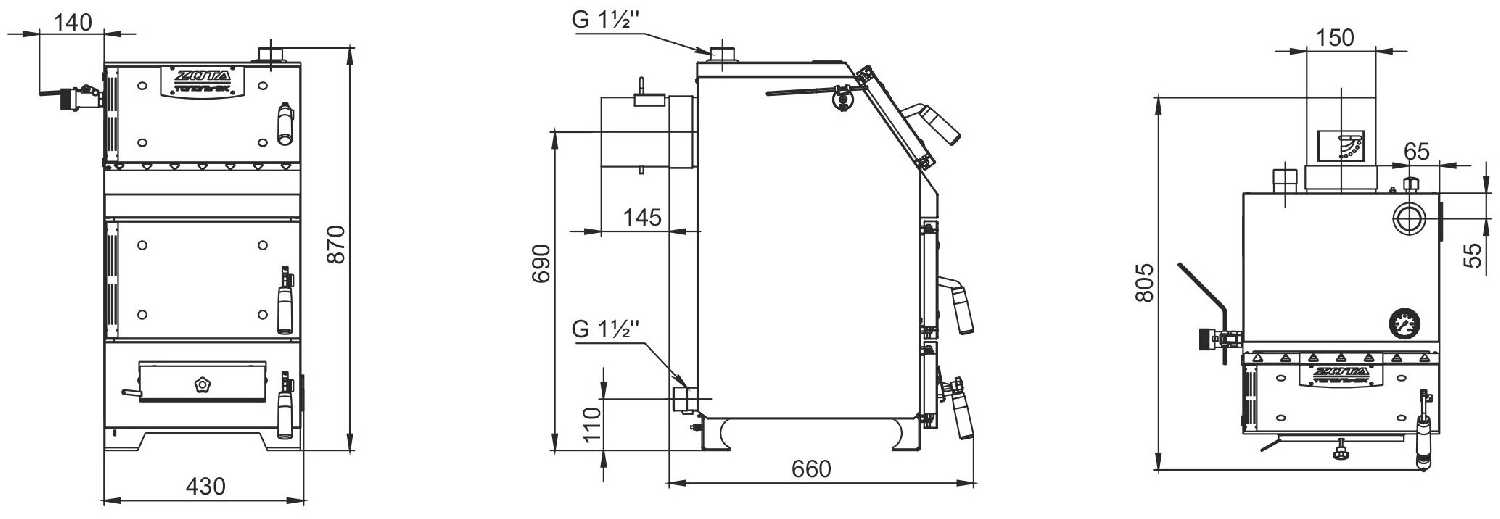
Характеристи ZOTA Тополь-16ВК
| Технические характеристики | |
| Принцип работы твердотопливного котла : | длительного горения | 
| Количество контуров : | одноконтурный | 
| Энергонезависимый : | да | 
| Тип камеры сгорания : | открытый | 
| КПД : | 75 % | 
| Управление : | без панели управления | 
| Вариант установки : | напольный | 
| Материал первичного теплообменника : | сталь | 
| Особенности : | термометр | 
| Вид топлива : | древесные брикеты, дрова, пеллеты, природный газ, сжиженный газ, торф, уголь, угольные брикеты | 
| Минимальная температура теплоносителя : | 50 °C | 
| Максимальная температура теплоносителя : | 95 °C | 
| Максимальное давление воды в контуре отопления : | 3 бар | 
| Минимальная тепловая мощность : | 5 кВт | 
| Максимальная температура в контуре ГВС : | 80 °C | 
| ТЭН для поддержания температуры : | опциональный | 
| Подключение | |
| Патрубок подключения контура отопления : | 1 ½" | 
| Диаметр дымохода : | 150 мм | 
| Размеры (ШхВхГ) : | 440x870x660 мм | 
| Вес : | 108 кг | 
| Дополнительная информация : | время сгорания угля 13, 4 ч | 
        Информация о характеристиках носит справочный характер.
        Перед покупкой уточняйте характеристики и комплектацию товара у продавца
      


















 
			 
			 
            
           
             
             
             
             
             
             
             
             
             
             
             
             
             
             
             
             
             
             
             
            



 
                        