Отзывы о Рамная инсталляция Grohe Rapid SL 38721001
Средняя цена в магазинах 27 477 ₽
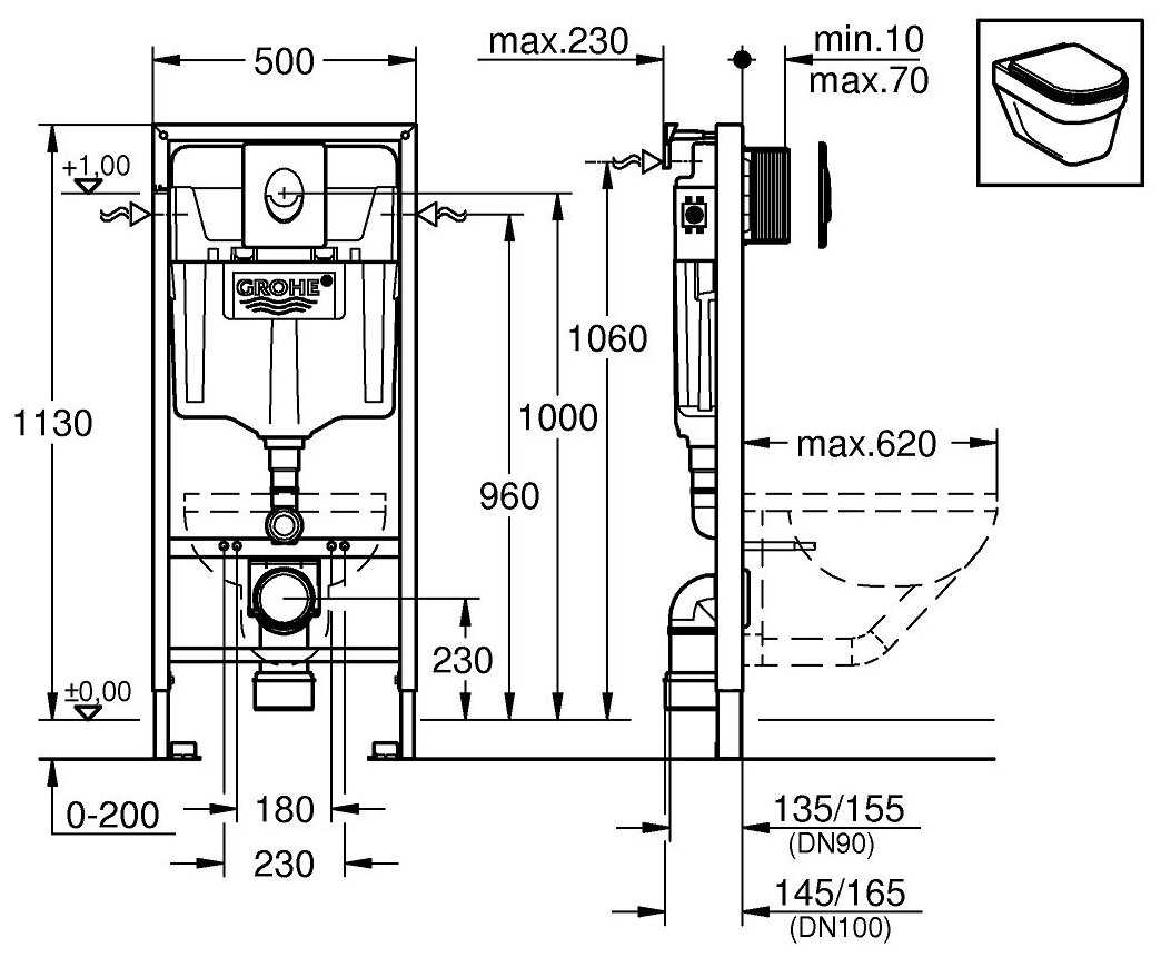
Краткие характеристики:
- для унитаза
- тип унитаза: подвесной
- крепление: в пол
- в капитальную стену
- в некапитальную стену
- подвод воды: слева
- справа
- сзади
- режим слива воды: две кнопки (полный слив/эконом)
- управление сливом: пневматическое
Плюсы по отзывам пользователей - Почему стоит купить Grohe Rapid SL 38721001?:
- Высокое качество материалов и сборки:
- Пользователи отмечают надежную конструкцию из качественного металла, которая служит годами без нареканий, как в квартирах, так и в домах.
- Бренд Grohe ассоциируется с долговечностью, и многие покупают повторно, подчеркивая стабильное качество.
- Все детали подходят идеально, без необходимости доработки, что подтверждают отзывы об установке без проблем.
- Простота установки:
- Подробная инструкция позволяет монтировать самостоятельно, даже новичкам, без привлечения специалистов.
- Удобный крепеж к стене и пневмокнопка, которую легко установить, воткнув трубочку.
- Скрытое крепление упрощает процесс, хотя иногда требует аккуратности, и сантехники хвалят за надежность фиксации.
- Полная комплектация:
- В коробке все необходимое: кнопка, крепеж, соединительный комплект, без необходимости докупать базовые элементы.
- Пользователи подтверждают, что комплект полный для стандартной установки, включая гидравлическую кнопку.
- Хорошо упакован, приходит в сборе и целой упаковке, что упрощает транспортировку.
- Экономия пространства и компактность:
- Узкая по глубине конструкция идеальна для небольших ванных комнат, позволяя сэкономить каждый сантиметр.
- После установки не мешает уборке, "поставил и забыл", как отмечают владельцы с многолетним опытом.
- Отличный внешний вид в ремонте, сочетается с подвесными унитазами для современного дизайна.
- Эффективная система слива и набор воды:
- Тихий набор воды, почти незаметный за стеной, и быстрый без подтеканий в конце.
- Объем бачка 6-9 литров обеспечивает экономию воды, хороший напор при смыве, особенно с безободковыми унитазами.
- Плавный ход пневмокнопки и удобство эксплуатации, без шума в большинстве случаев.
- Хорошее соотношение цены и качества:
- Цена ниже, чем в официальных магазинах или Leroy Merlin, около 15-17 тысяч рублей за полный комплект.
- Пользователи рекомендуют как выгодную покупку для бани или квартиры, с гарантией надежности бренда.
- Совместимость с унитазами разных марок, включая Grossman, без брызг и с креативными решениями.
Минусы по отзывам пользователей:
- Несоответствие описанию комплектации:
- Кнопка в комплекте белая, а не хромированная, как указано в описании и на картинках, что вводит в заблуждение.
- Несколько пользователей жалуются на отсутствие редактирования описания, несмотря на обещания продавца.
- Это приводит к разочарованию при распаковке, особенно если ожидался хром для дизайна.
- Короткие комплектующие для слива:
- Сливная манжета всего 155 мм вместо стандартных 200-250 мм, что требует покупки нового соединительного комплекта за 2-3 тысячи рублей.
- Для двойной кнопки предусмотрено только одно подсоединение, что ограничивает возможности.
- Странные размеры смывного гарнитура усложняют установку, особенно в нестандартных условиях.
- Проблемы с режимами слива кнопки:
- Некоторые модели имеют однорежимную кнопку вместо двойной, что не позволяет регулировать объем слива (полный бак всегда).
- Пользователи не разобрались, как сделать половинчатый смыв, так как трубочка одна, и вода льется полностью.
- Удешевление модели по сравнению со старыми версиями, где была двухрежимная кнопка, разочаровывает.
- Шум при спуске воды:
- Спуск воды очень шумный, пугает даже домашних животных, и рекомендуется добавить звукоизоляционную прокладку.
- Хотя набор воды тихий, сам слив слышен, что может мешать в тихих помещениях, как спальня рядом.
- Отсутствие встроенной звукоизоляции в базовой комплектации, хотя это редкая жалоба.
- Нюансы установки и крепления:
- Инструкция иногда непонятная, особенно по скрытому креплению, что приводит к мучениям установщикам.
- Мало креплений в комплекте, приходится докупать шпильки, цанги и гайки М8 для надежной фиксации.
- Для облегченной модели без верхней перекладины отзывы хуже, поэтому нужно проверять при заказе.
- Недостаток в гидравлической кнопке:
- Две кнопки, но только один выход для трубочки, что не позволяет полноценно использовать двойной режим.
- Пользователи отмечают, что это неудобно по сравнению с пневматической версией.
- В старых обзорах кнопка была другой, что указывает на изменения в комплектации.
63 отзывов пользователей o Grohe Rapid SL 38721001
Пользовались
Grohe Rapid SL 38721001?
Поделитесь своим опытом и помогите другим сделать правильный выбор
- + - Полный комплект из коробки - ничего докупать не нужно.
- Отличное качество - все детали подходят тютелька в тютельку, никаких "доработать напильником".
- Подробная инструкция, простая конструкция - ставил сам, без проблем.
- Узкая по глубине - позволяет сэкономить пространство там, где важен каждый сантиметр.
- Тихий набор воды - в доме стоит за стенкой от спальни, слышен спуск, а дальше - тишина.
- Набирает быстро, не подссыкивает в конце.
- Залповый сброс дает хороший напор.
- Гидравлическая кнопка очень удобна в установке и работе - воткнул трубочку и готово. - - - Я так и не разобрался, как сделать половинчатый смыв. В гидравлической кнопке - две кнопки и соответственно два выхода, а трубочка в бачке - одна. Куда ее ни втыкай, все равно льет полный бак. Или может это и есть половинка, т.к если кнопку держать нажатой, то воды выходит больше..
В общем, непонятно.
Сравнить мне не с чем, да и незачем - качество и характеристики модели - топчик, никаких нареканий. А потому и не вижу повода эксперементировать.
Насколько я понял, появилась облегченная модель этой инсталляции, без верхней перекладины и части других деталей. Вот у нее отзывы не очень. Проверяйте при заказе.
- + Всегда покупаю инстоляцию жтой фирмы пока не аодводила
- - Нету
- + качество материалов и надежность механизмов
- - нет
- + Все нравится
- - Не нашла
- + качественно сделано
- - нет
- + Всё ок с комплектацией, своих денег стоит, не шумит, ничего плохого сказать пока не могу.
- - в старых обзорах была вроде другая кнопка, походу удешевили модель и теперь в комплектации однорежимная кнопка.
- + Отличная оригинальная продукция фирмы grohe. Всё в комплекте как и в описании товара.
- - Пока не выявлено. В работе понаблюдаю.
- + Отличная инсталляция. Всё пришло в комплекте. Качесивенно собранная вещь. Ну, само собой это же грое - надёжно.
- - Пока не выявил. Далее будет видно
- + фирма
- - мало креплений пришлось самому сверлить , сажать на шпильки длиннее
- + Качественная инсталляция! Полный комплект для установки! Приемлимая цена
- - Не обнаружено!
- + Товар понравился, качественно все сделано, комплектация вся в комплекте , что очень удобно
- - Не выявлено
- + качество
- - нет
- + Отличный товар, полный комплект.
- - нет, все очень хорошо.
- + цена - качество
- + Качество сборки.
Простота монтажа.
Долговечность. - - Недокомплект. Странные размеры смывного гарнитура.
Соединительный комплект оснащён короткой сливной манжетой ~155мм. Как правило в комплектах ее длинна 200-250мм. Теперь чтобы установить унитаз нужно покупать новый соединительный комплект +2-3тыс к расходам.
- + +++++++++++
- - нет
- + Брала инсталляцию по рекомендации сантехника и не ошиблась в качестве.
- - Нет
- + Инсталляция хорошая. К изделию нареканий нет.
- - Нет
- + 👍
- - Не обнаружено!
- + Стоимость
- - нет
График изменения цены Grohe Rapid SL 38721001
Характеристи Grohe Rapid SL 38721001
| Характеристики | |
| Объем смывного бачка : | 9 л |
| Монтажная ширина : | 50 см |
| Мин. высота : | 108 см |
| Тип : | рамная инсталляция |
| Назначение : | для унитаза |
| Тип унитаза : | подвесной |
| Комплектация : | кнопка смыва, панель, рама, сливной бачок |
| Управление сливом : | пневматическое |
| Ширина : | 50 см |
| Высота : | 113 см |
| Глубина : | 12 см |
| Подвод воды : | сверху, сзади, слева, справа |
| Крепление : | в капитальную стену, в некапитальную стену, в пол |
| Режим слива воды : | две кнопки (полный слив/эконом/старт-стоп) |
| Монтажная глубина : | 16.5 см |
| Монтажная высота : | 113 см |
| Диаметр слива : | 9 см |
| Дополнительная информация : | максимальное давление: 5 бар, настенный уголок крепления в комплекте |
Информация о характеристиках носит справочный характер.
Перед покупкой уточняйте характеристики и комплектацию товара у продавца








