Электрический котел ЭВАН ЭПО 7,5 380 — 1 отзывов, плюсы и минусы
Средняя цена в магазинах 52 235 ₽
Краткие характеристики:
- тип отопительного котла: электрический
- количество контуров: одноконтурный
- размещение: напольный
- тип питания: трёхфазное
- управление: электронное
- принцип работы электрического котла: ТЭН
1 отзывов пользователей о ЭВАН ЭПО 7,5 380 (ЭПО 7,5 380)
Пользовались
ЭВАН ЭПО 7,5 380 (ЭПО 7,5 380)?
Поделитесь своим опытом и помогите другим сделать правильный выбор
- - один из лучших приборов чтоб поджечь свой дом что разработчики не знают что ваше реле не выдерживает нагрузку провода плавятся.мне то повезло провода раза два оплавлялись и он выкл.Ну один сезон он поработает а там повезет не повезет.я покупал 2 ваших аппарата и с обоими все как описал.
Как менялась цена на ЭВАН ЭПО 7,5 380 (ЭПО 7,5 380)
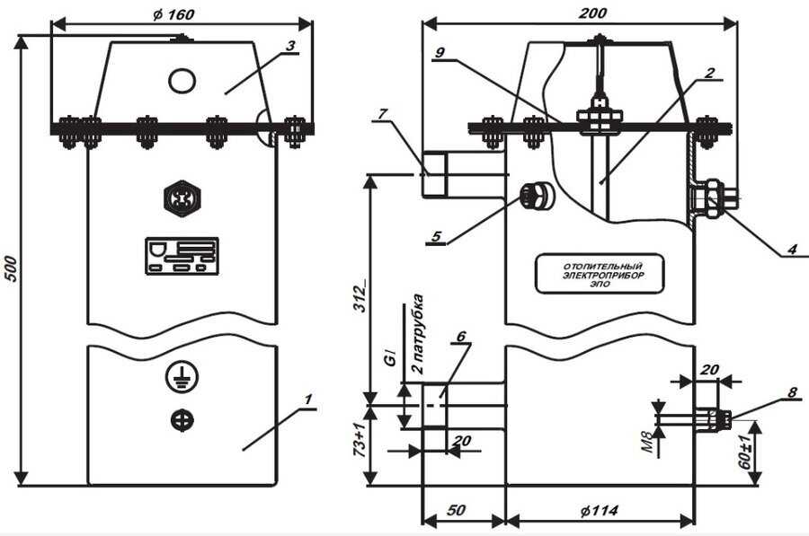
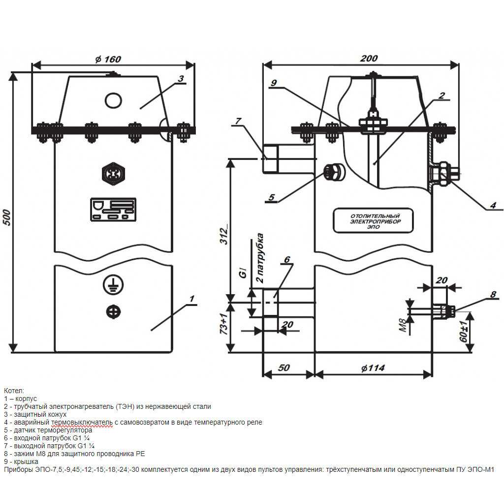
Характеристики ЭВАН ЭПО 7,5 380 (ЭПО 7,5 380)
| Технические характеристики | |
| Максимальная температура теплоносителя : | 90 °C |
| Минимальная температура в контуре ГВС : | 30 °C |
| Максимальная температура в контуре ГВС : | 80 °C |
| Максимальное давление воды в контуре отопления : | 3 бар |
| Принцип работы электрического котла : | ТЭН |
| Количество ступеней мощности : | есть |
| Тип питания : | трёхфазное |
| Номинальный ток автоматического выключателя 3 фазы : | 16 А |
| Количество контуров : | одноконтурный |
| Максимальная тепловая нагрузка : | 9.45 кВт |
| Отапливаемая площадь : | 75 м² |
| КПД : | 99 % |
| Управление : | электронное |
| Вариант установки : | напольный |
| Материал первичного теплообменника : | нержавеющая сталь |
| Комплектация : | пульт ДУ |
| Минимальная температура теплоносителя : | 50 °C |
| Подключение | |
| Патрубок подключения контура отопления : | 1 ¼" |
| Размеры (ШхВхГ) : | 270x565x200 мм |
| Вес : | 15 кг |
| Дополнительная информация : | 1 или 3 ступени мощности, размеры пульта управления 180х380х265 вес 3 кг |
Информация о характеристиках носит справочный характер.
Перед покупкой уточняйте характеристики и комплектацию товара у продавца


























