22 отзывов пользователей o AlcaPLAST M91
Пользовались
AlcaPLAST M91?
Поделитесь своим опытом и помогите другим сделать правильный выбор
- + Мягкй податливый материал пены, который позволяет прижать унитаз почти сразу. Невысокая стоимость. Сделано в Чехии
- - Можно было бы и квадратную сделать
- + нету,
- - материал не самого лучшего качеств, себестоимость материала 5 руб, откуда такая наценка не ясно, 300руб очень дорого.
- + Пригодится, если нет в комплекте с унитазом
- - Нет
- + Качество
- - Нет
- + Доставка
- - Все подошло
- + Быстрая доставка
- + Вариантов особо нет
- + Хорошая универсальная прокладка
- + Качество
- - Нет
- + все нормально, хорошая вещь
- + Качественная. Достаточно плотная
- - нет
- + Время покажет на данный момет отлично
- + выполняет свою функцию
- - цвет заметно не белый, по сравнению с унитазом
- + Всё по размерам
- - Нет
- - Недостатков нет
- + качество пластика
- + Легко и установил прокладку , прикрепил унитаз , обрезал прокладку по периметру и забыл 👍🏻
- + подошла идеально под инсталяцию Roca active
- + Функцию свою выполняет
- - Не обнаружил
Лучшие цены сегодня на AlcaPLAST M91
График изменения цены AlcaPLAST M91
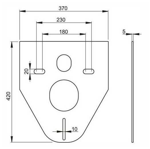
Характеристи AlcaPLAST M91
| Характеристики | |
| Назначение : | для биде, для инсталляции, для унитаза |
| Тип : | звукоизоляционная прокладка |
| Тип унитаза : | подвесной |
| Комплектация : | звукоизоляция |
| Ширина : | 37 см |
| Высота : | 42 см |
| Глубина : | 0.5 см |
| Дополнительная информация : | материал: XPLE (сшитый полиэтилен высокой плотности), обрезается под размеры керамики |
Информация о характеристиках носит справочный характер.
Перед покупкой уточняйте характеристики и комплектацию товара у продавца








